赢乐67公司
全国服务热线:
0516-87776198
首页
关于安宇
产品展示
资质荣誉
赢乐67公司
徐州安宇秀龙机电科技有限公司
安宇新闻
联系我们
首页
关于安宇
产品展示
资质荣誉
赢乐67公司
安宇新闻
联系我们
当前位置:
首页
>
产品展示
>
操车设备
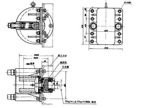
钢轨罐道滚轮罐耳
发布时间:2013-11-13 11:09:58
咨询热线:15205215777
公司地址:徐州经济技术开发区大黄山街道办事处恒久钢构西门南一百米金三角路
徐州安宇矿山设备制造有限公司专业生产罐笼、箕斗、矿用风门、密闭门、矿用平板车、无压风门的生产和销售。
上一页:
托罐摇台
下一页:
组合(矩形)钢罐道滚轮罐耳
首页
一键拨号
短信咨询